再生磷酸鐵鋰具備諸多優點,已成為當前熱門的鋰電池正極材料產品。 邦普循環采用高溫固相法對廢棄磷酸鐵鋰進行再生,生產的再生磷酸鐵鋰產品具備高壓實、高容量、平臺穩定等特點。產品能量密度高、穩定性強、原料成本低,同時極大程度響應了國家環境保護政策。回收再生廢舊磷酸鐵鋰,減少電池污染對環境造成的危害;減少粉末制備流程,實現資源節約的同時創造更高經濟價值。
≥2.35壓實密度-3T (g/cm3)
<60.0粉末電阻率 (Ω?cm)
0.6-1.6Dv50 (μm)
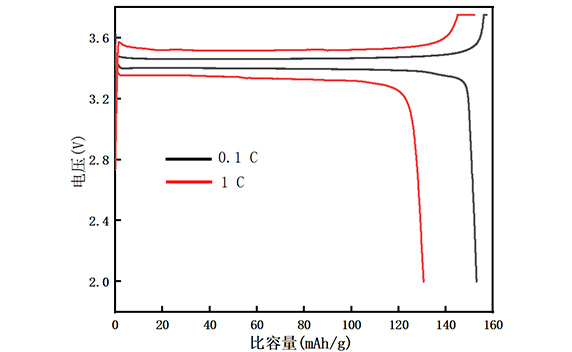
>1570.1C首圈充電克容量 (mAh/g)
>1500.1C首圈放電克容量 (mAh/g)
>1261C首圈放電克容量 (mAh/g)
技術圖表

充放電曲線圖

粒度分布圖

